JQ641FM進料閥
一、JQ641FM進料閥概述:
閘板和閘桿獨特的結構設計使得閥門關閉的過程中,閥板自旋。 這樣就實現了閥板同閥座的自吻合密封和閥板的均勻磨損,在具有研磨性物料的介質中可實現持久的密封性能。啟閉靈活,密封可靠。
二、主要規格參數:
陶瓷閥門國家標準:JB/T10529-2005
設計制造標準: API6D-2008、API608-2002
結構長度標準:GB/T 12221-2005 、ANSI B16.10
連接法蘭標準:GB/T 9113、ANSI B16.5
壓力溫度等級:GB/T 12224-2005、ASMEB16.34-2004
試驗檢驗標準:GB/T 13927-2008API 598
三、主要產品特點:
1.該陶瓷出料閥采用結構陶瓷做密封副,耐沖刷,耐磨性好;
2.撐開式雙閘板密封結構,啟閉過程中閘板自旋,有拋光自潔功能,閥門關閉時雙向密封,啟閉靈活;
3.根據不同工況可設置吹掃口、自動吹掃系統,適用于干灰、渣漿、物料等介質的輸送,積灰少,無卡澀,維護簡單,使用壽命長。
鐘罩式翻板進料閥產品簡介:
鐘罩式翻板進料閥主要用于電力干除灰系統倉泵進料閥,也可用于礦山、冶金、造紙和化工行業的氣力輸灰系統。進料閥直接與倉泵連接并融為一體,由氣缸驅動搖臂做90°旋轉實現閥門啟閉功能。這種結構的進料閥可以滿足倉泵中氣輸干灰的惡劣條件,其氟橡膠的密封面對干灰微粒有較大的包容性,不易磨損,并可耐250℃以下的高溫,密封件可直接更換。本閥門鐘罩形的閥腔不易結灰,閥體上開出的手孔可以在線更換內部的密封零件,維修方便。
鐘罩式翻板進料閥特點與用途:
1、本進料閥專用于發電廠干灰系統,濃向輸送倉泵進料用閥門。工作由直行程氣缸帶動,可頻繁工作,每小時可達6-10次,氣源壓力為0.4-0.6MPa。
2、本閥閥體材質為鑄鋼和焊接件兩種。閥板與閥座和所有密封件均采用氟橡膠,耐溫可達250o左右,本閥的所有密封件可定期更換。
3、本閥密封性能好,耐磨性強,啟動負荷小,卡灰及積灰現象少,使用壽命長。本閥門有流體阻力小,啟閉省力,全開時受介質沖蝕小,安裝方便等特點,主要用于介質的切斷。
鐘罩式翻板進料閥應用規范:
| 設計與制造 | GB/T 12224 | |
| 連接端尺寸 | 結構長度 | 廠商標準 |
| 法蘭尺寸 | JB/T 79.1 | |
| 檢驗與試驗 | GB/T 9092 | |
| 材料 | 碳鋼 | GB/T 12229 |
| 不銹鋼 | GB/T 12230 | |
| 標志 | GB/T 12220 | |
| 供貨 | GB/T 12252 | |
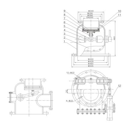
鐘罩式翻板進料閥零件材料:
| 序號 | 名稱 | 材料 | 序號 | 名稱 | 材料 |
| 1 | 閥體 | 20# | 7 | 閥瓣支座 | 20# |
| 2 | 封蓋 | 20# | 8 | 閥瓣 | 20# |
| 3 | 閥桿壓蓋 | Q235 | 9 | 閥瓣襯 | NBR |
| 4 | 閥桿 | 2Cr13 | 10 | 閥座 | NBR |
| 5 | 閥瓣連桿 | 25# | 11 | 螺釘 | B7 |
| 6 | 銷軸 | 35# | 12 | 氣動裝置 |
鐘罩式翻板進料閥外形結構圖:

鐘罩式翻板進料閥連接尺寸:
| DN | D | D1 | D2 | C | H | Z-d | L | G |
| 100 | 215 | 180 | 155 | 20 | 737 | 8-Φ18 | 360 | 248 |
| 125 | 245 | 210 | 185 | 24 | 775 | 8-Φ18 | 600 | 300 |
| 150 | 280 | 240 | 210 | 24 | 837 | 8-Φ23 | 650 | 320 |
| 175 | 310 | 270 | 240 | 26 | 915 | 8-Φ23 | 650 | 340 |
| 200 | 335 | 295 | 265 | 26 | 1007 | 8-Φ23 | 640 | 360 |
| 225 | 365 | 325 | 295 | 28 | 1110 | 8-Φ23 | 640 | 370 |
| 250 | 390 | 350 | 320 | 28 | 1245 | 8-Φ23 | 640 | 385 |